Подшипник WJ-364216 (Timken)

Подшипники роликовые радиальные сферические
Подшипник WJ-364216 (Timken)

Технические характеристики

Обозначение : WJ-364216

Производитель : Timken

Диаметр внутренний, мм : 57,15

Диаметр наружный, мм : 66,675

Технические данные из каталога производителя :

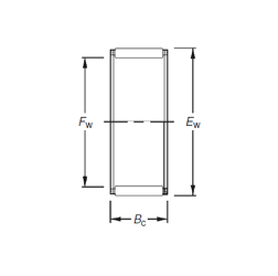
Внутренний диаметр (Fw) - 57,15 мм.

Наружный диаметр (Ew) - 66,675 мм.

Ширина внутренней обоймы (Bc) - 25,4 мм.

Масса - 0,096 Кг

Грузоподъемность динамическая (C) - 53,8 кН

Грузоподъемность статическая (C0) - 96,08 кН

Частота вращения предельная при пластичной смазке - 4900 об/мин

Частота вращения предельная при жидкой смазке - 7500 об/мин

Количество дорожек качения - 1

Уплотнение - Нет

Цены указаны ознакомительные, для уточнения цены и наличия просим связаться с нами по телефону, или отправить заявку на почту - sales@specprompodshipnik.ru или по тел.: +7(499) 369-70-54

Возврат к списку