Подшипник WJ-354116 (NSK)

Подшипники роликовые радиальные сферические
Подшипник WJ-354116 (NSK)

Технические характеристики

Обозначение : WJ-354116

Производитель : NSK

Диаметр внутренний, мм : 55,562

Диаметр наружный, мм : 65,088

Технические данные из каталога производителя :

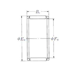
Внутренний диаметр (Fw) - 55,562 мм.

Наружный диаметр (Ew) - 65,088 мм.

Ширина внутренней обоймы (Bc) - 25,4 мм.

Масса - 0,105 Кг

Грузоподъемность динамическая (C) - 58,5 кН

Грузоподъемность статическая (C0) - 105 кН

Частота вращения предельная при жидкой смазке - 7500 об/мин

Количество дорожек качения - 1

Уплотнение - Нет

Цены указаны ознакомительные, для уточнения цены и наличия просим связаться с нами по телефону, или отправить заявку на почту - sales@specprompodshipnik.ru или по тел.: +7(499) 369-70-54

Возврат к списку