Подшипник WJ-344024 (NSK)

Подшипники роликовые радиальные сферические
Подшипник WJ-344024 (NSK)

Технические характеристики

Обозначение : WJ-344024

Производитель : NSK

Диаметр внутренний, мм : 53,975

Диаметр наружный, мм : 63,5

Технические данные из каталога производителя :

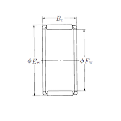
Внутренний диаметр (Fw) - 53,975 мм.

Наружный диаметр (Ew) - 63,5 мм.

Ширина внутренней обоймы (Bc) - 38,1 мм.

Масса - 0,15 Кг

Грузоподъемность динамическая (C) - 78 кН

Грузоподъемность статическая (C0) - 151 кН

Частота вращения предельная при жидкой смазке - 8000 об/мин

Количество дорожек качения - 1

Уплотнение - Нет

Цены указаны ознакомительные, для уточнения цены и наличия просим связаться с нами по телефону, или отправить заявку на почту - sales@specprompodshipnik.ru или по тел.: +7(499) 369-70-54

Возврат к списку