Подшипник WJ-283416 (Timken)

Подшипники роликовые радиальные сферические
Подшипник WJ-283416 (Timken)

Технические характеристики

Обозначение : WJ-283416

Производитель : Timken

Диаметр внутренний, мм : 44,45

Диаметр наружный, мм : 53,975

Технические данные из каталога производителя :

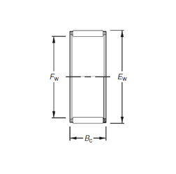
Внутренний диаметр (Fw) - 44,45 мм.

Наружный диаметр (Ew) - 53,975 мм.

Ширина внутренней обоймы (Bc) - 25,4 мм.

Масса - 0,084 Кг

Грузоподъемность динамическая (C) - 52,0 кН

Грузоподъемность статическая (C0) - 85,0 кН

Частота вращения предельная при пластичной смазке - 6400 об/мин

Частота вращения предельная при жидкой смазке - 9900 об/мин

Количество дорожек качения - 1

Уплотнение - Нет

Цены указаны ознакомительные, для уточнения цены и наличия просим связаться с нами по телефону, или отправить заявку на почту - sales@specprompodshipnik.ru или по тел.: +7(499) 369-70-54

Возврат к списку