Подшипник WJ-283412 (NSK)

Подшипники роликовые радиальные сферические
Подшипник WJ-283412 (NSK)

Технические характеристики

Обозначение : WJ-283412

Производитель : NSK

Диаметр внутренний, мм : 44,45

Диаметр наружный, мм : 53,975

Технические данные из каталога производителя :

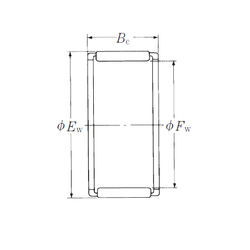
Внутренний диаметр (Fw) - 44,45 мм.

Наружный диаметр (Ew) - 53,975 мм.

Ширина внутренней обоймы (Bc) - 19,05 мм.

Масса - 0,062 Кг

Грузоподъемность динамическая (C) - 39 кН

Грузоподъемность статическая (C0) - 58 кН

Частота вращения предельная при жидкой смазке - 9500 об/мин

Количество дорожек качения - 1

Уплотнение - Нет

Цены указаны ознакомительные, для уточнения цены и наличия просим связаться с нами по телефону, или отправить заявку на почту - sales@specprompodshipnik.ru или по тел.: +7(499) 369-70-54

Возврат к списку