Подшипник WJ-222816 (NSK)

Подшипники роликовые радиальные сферические
Подшипник WJ-222816 (NSK)

Технические характеристики

Обозначение : WJ-222816

Производитель : NSK

Диаметр внутренний, мм : 34,925

Диаметр наружный, мм : 44,45

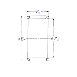
Технические данные из каталога производителя :

Внутренний диаметр (Fw) - 34,925 мм.

Наружный диаметр (Ew) - 44,45 мм.

Ширина внутренней обоймы (Bc) - 25,4 мм.

Масса - 0,067 Кг

Грузоподъемность динамическая (C) - 45,5 кН

Грузоподъемность статическая (C0) - 66 кН

Частота вращения предельная при жидкой смазке - 12000 об/мин

Количество дорожек качения - 1

Уплотнение - Нет

Цены указаны ознакомительные, для уточнения цены и наличия просим связаться с нами по телефону, или отправить заявку на почту - sales@specprompodshipnik.ru или по тел.: +7(499) 369-70-54

Возврат к списку