Подшипник WJ-182416 (Timken)

Подшипники роликовые радиальные сферические
Подшипник WJ-182416 (Timken)

Технические характеристики

Обозначение : WJ-182416

Производитель : Timken

Диаметр внутренний, мм : 28,575

Диаметр наружный, мм : 38,1

Технические данные из каталога производителя :

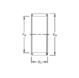
Внутренний диаметр (Fw) - 28,575 мм.

Наружный диаметр (Ew) - 38,1 мм.

Ширина внутренней обоймы (Bc) - 25,4 мм.

Масса - 0,041 Кг

Грузоподъемность динамическая (C) - 42,4 кН

Грузоподъемность статическая (C0) - 57,8 кН

Частота вращения предельная при пластичной смазке - 10000 об/мин

Частота вращения предельная при жидкой смазке - 16000 об/мин

Количество дорожек качения - 1

Уплотнение - Нет

Цены указаны ознакомительные, для уточнения цены и наличия просим связаться с нами по телефону, или отправить заявку на почту - sales@specprompodshipnik.ru или по тел.: +7(499) 369-70-54

Возврат к списку