Подшипник WJ-162112 (Timken)

Подшипники роликовые радиальные сферические
Подшипник WJ-162112 (Timken)

Технические характеристики

Обозначение : WJ-162112

Производитель : Timken

Диаметр внутренний, мм : 25,4

Диаметр наружный, мм : 33,338

Технические данные из каталога производителя :

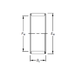
Внутренний диаметр (Fw) - 25,4 мм.

Наружный диаметр (Ew) - 33,338 мм.

Ширина внутренней обоймы (Bc) - 19,05 мм.

Масса - 0,029 Кг

Грузоподъемность динамическая (C) - 28,1 кН

Грузоподъемность статическая (C0) - 37,1 кН

Частота вращения предельная при пластичной смазке - 12000 об/мин

Частота вращения предельная при жидкой смазке - 18000 об/мин

Количество дорожек качения - 1

Уплотнение - Нет

Цены указаны ознакомительные, для уточнения цены и наличия просим связаться с нами по телефону, или отправить заявку на почту - sales@specprompodshipnik.ru или по тел.: +7(499) 369-70-54

Возврат к списку