Подшипник WJ-131714 (Timken)

Подшипники роликовые радиальные сферические
Подшипник WJ-131714 (Timken)

Технические характеристики

Обозначение : WJ-131714

Производитель : Timken

Диаметр внутренний, мм : 20,638

Диаметр наружный, мм : 26,988

Технические данные из каталога производителя :

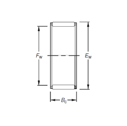
Внутренний диаметр (Fw) - 20,638 мм.

Наружный диаметр (Ew) - 26,988 мм.

Ширина внутренней обоймы (Bc) - 22,23 мм.

Масса - 0,021 Кг

Грузоподъемность динамическая (C) - 25,1 кН

Грузоподъемность статическая (C0) - 35 кН

Частота вращения предельная при пластичной смазке - 14000 об/мин

Частота вращения предельная при жидкой смазке - 22000 об/мин

Количество дорожек качения - 1

Уплотнение - Нет

Цены указаны ознакомительные, для уточнения цены и наличия просим связаться с нами по телефону, или отправить заявку на почту - sales@specprompodshipnik.ru или по тел.: +7(499) 369-70-54

Возврат к списку