Подшипник WJ-101410 (Timken)

Подшипники роликовые радиальные сферические
Подшипник WJ-101410 (Timken)

Технические характеристики

Обозначение : WJ-101410

Производитель : Timken

Диаметр внутренний, мм : 15,875

Диаметр наружный, мм : 22,225

Технические данные из каталога производителя :

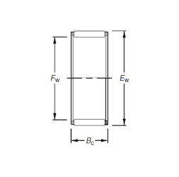
Внутренний диаметр (Fw) - 15,875 мм.

Наружный диаметр (Ew) - 22,225 мм.

Ширина внутренней обоймы (Bc) - 15,88 мм.

Масса - 0,012 Кг

Грузоподъемность динамическая (C) - 15,6 кН

Грузоподъемность статическая (C0) - 17,8 кН

Частота вращения предельная при пластичной смазке - 19000 об/мин

Частота вращения предельная при жидкой смазке - 29000 об/мин

Количество дорожек качения - 1

Уплотнение - Нет

Цены указаны ознакомительные, для уточнения цены и наличия просим связаться с нами по телефону, или отправить заявку на почту - sales@specprompodshipnik.ru или по тел.: +7(499) 369-70-54

Возврат к списку