Подшипник ВK3038-ZW (INA)

Подшипники роликовые радиальные сферические
Подшипник ВK3038-ZW (INA)

Технические характеристики

Обозначение : ВK3038-ZW

Производитель : INA

Диаметр внутренний, мм : 30

Диаметр наружный, мм : 37

Технические данные из каталога производителя :

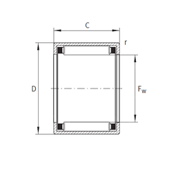
Внутренний диаметр (Fw) - 30 мм.

Наружный диаметр (D) - 37 мм.

Ширина наружной обоймы (C) - 38 мм.

Размер (c1 min) - 35,3

Размер (r min.) - 0,8 мм.

Масса - 0,084 Кг

Грузоподъемность динамическая (C) - 37,5 кН

Грузоподъемность статическая (C0) - 79 кН

Граничная нагрузка по усталости (Pu) - 10,1

Частота вращения номинальная - 6 200 об/мин

Частота вращения предельная - 8 600 об/мин

Количество дорожек качения - 1

Уплотнение - Нет

Цены указаны ознакомительные, для уточнения цены и наличия просим связаться с нами по телефону, или отправить заявку на почту - sales@specprompodshipnik.ru или по тел.: +7(499) 369-70-54

Возврат к списку