Подшипник ВK1414-RS (INA)

Подшипники роликовые радиальные сферические
Подшипник ВK1414-RS (INA)

Технические характеристики

Обозначение : ВK1414-RS

Производитель : INA

Диаметр внутренний, мм : 14

Диаметр наружный, мм : 20

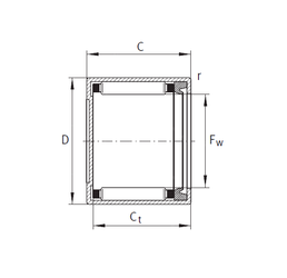
Технические данные из каталога производителя :

Внутренний диаметр (Fw) - 14 мм.

Наружный диаметр (D) - 20 мм.

Ширина наружной обоймы (C) - 16 мм.

Размер (r min.) - 0,8 мм.

Размер (C1) - 11,3 мм.

Масса - 0,013 Кг

Грузоподъемность динамическая (C) - 7,1 кН

Грузоподъемность статическая (C0) - 8,5 кН

Граничная нагрузка по усталости (Pu) - 1,01

Частота вращения предельная - 12 000 об/мин

Количество дорожек качения - 1

Уплотнение - Есть

Цены указаны ознакомительные, для уточнения цены и наличия просим связаться с нами по телефону, или отправить заявку на почту - sales@specprompodshipnik.ru или по тел.: +7(499) 369-70-54

Возврат к списку