Подшипник TVK6892JL-1 (KOYO)

Подшипники роликовые радиальные сферические
Подшипник TVK6892JL-1 (KOYO)

Технические характеристики

Обозначение : TVK6892JL-1

Размеры, мм : 67.6x92x5.4

Производитель : KOYO

Диаметр внутренний, мм : 67,6

Диаметр наружный, мм : 92

Высота, мм : 5,4

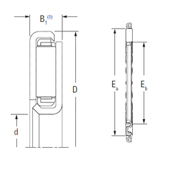
Технические данные из каталога производителя :

Внутренний диаметр (d) - 67,6 мм.

Наружный диаметр (D) - 92 мм.

Ширина внутренней обоймы (B1) - 5,4 мм.

Размер (Ea) - 86

Размер (Eb) - 74

Масса - 0,086 Кг

Грузоподъемность динамическая (C) - 34,7 кН

Грузоподъемность статическая (C0) - 175 кН

Частота вращения предельная при жидкой смазке - 5000 об/мин

Количество дорожек качения - 1

Уплотнение - Нет

Цены указаны ознакомительные, для уточнения цены и наличия просим связаться с нами по телефону, или отправить заявку на почту - sales@specprompodshipnik.ru или по тел.: +7(499) 369-70-54

Возврат к списку