Подшипник TVK6078JL (KOYO)

Подшипники роликовые радиальные сферические
Подшипник TVK6078JL (KOYO)

Технические характеристики

Обозначение : TVK6078JL

Размеры, мм : 60.4x78x3.6

Производитель : KOYO

Диаметр внутренний, мм : 60,4

Диаметр наружный, мм : 78

Высота, мм : 3,6

Технические данные из каталога производителя :

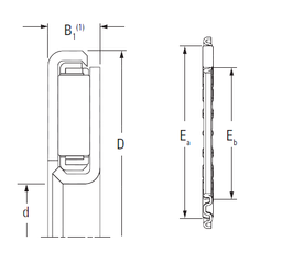
Внутренний диаметр (d) - 60,4 мм.

Наружный диаметр (D) - 78 мм.

Ширина внутренней обоймы (B1) - 3,6 мм.

Размер (Ea) - 74

Размер (Eb) - 65

Масса - 0,037 Кг

Грузоподъемность динамическая (C) - 15,8 кН

Грузоподъемность статическая (C0) - 80,1 кН

Частота вращения предельная при жидкой смазке - 5000 об/мин

Количество дорожек качения - 1

Уплотнение - Нет

Цены указаны ознакомительные, для уточнения цены и наличия просим связаться с нами по телефону, или отправить заявку на почту - sales@specprompodshipnik.ru или по тел.: +7(499) 369-70-54

Возврат к списку