Подшипник TV5273 (KOYO)

Подшипники роликовые радиальные сферические
Подшипник TV5273 (KOYO)

Технические характеристики

Обозначение : TV5273

Размеры, мм : 52x72.6x1.984

Производитель : KOYO

Диаметр внутренний, мм : 52

Диаметр наружный, мм : 72,6

Высота, мм : 1,984

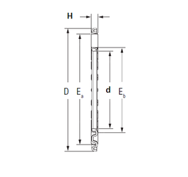
Технические данные из каталога производителя :

Внутренний диаметр (d) - 52 мм.

Наружный диаметр (D) - 72,6 мм.

Высота (H) - 1,984 мм.

Размер (Ea) - 56

Размер (Eb) - 71,2

Масса - 0,019 Кг

Грузоподъемность динамическая (C) - 26 кН

Грузоподъемность статическая (C0) - 169 кН

Частота вращения предельная при жидкой смазке - 6700 об/мин

Количество дорожек качения - 1

Уплотнение - Нет

Цены указаны ознакомительные, для уточнения цены и наличия просим связаться с нами по телефону, или отправить заявку на почту - sales@specprompodshipnik.ru или по тел.: +7(499) 369-70-54

Возврат к списку