Подшипник TV4562 (KOYO)

Подшипники роликовые радиальные сферические
Подшипник TV4562 (KOYO)

Технические характеристики

Обозначение : TV4562

Размеры, мм : 45x62.19x1.984

Производитель : KOYO

Диаметр внутренний, мм : 45

Диаметр наружный, мм : 62,19

Высота, мм : 1,984

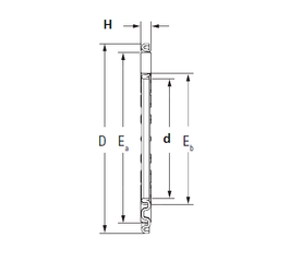
Технические данные из каталога производителя :

Внутренний диаметр (d) - 45 мм.

Наружный диаметр (D) - 62,19 мм.

Высота (H) - 1,984 мм.

Размер (Ea) - 46,2

Размер (Eb) - 58,6

Масса - 0,014 Кг

Грузоподъемность динамическая (C) - 20,3 кН

Грузоподъемность статическая (C0) - 115 кН

Частота вращения предельная при жидкой смазке - 7200 об/мин

Количество дорожек качения - 1

Уплотнение - Нет

Цены указаны ознакомительные, для уточнения цены и наличия просим связаться с нами по телефону, или отправить заявку на почту - sales@specprompodshipnik.ru или по тел.: +7(499) 369-70-54

Возврат к списку