Подшипник TV2639-1 (KOYO)

Подшипники роликовые радиальные сферические
Подшипник TV2639-1 (KOYO)

Технические характеристики

Обозначение : TV2639-1

Размеры, мм : 26x38.66x2

Производитель : KOYO

Диаметр внутренний, мм : 26

Диаметр наружный, мм : 38,66

Высота, мм : 2

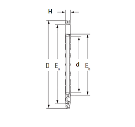
Технические данные из каталога производителя :

Внутренний диаметр (d) - 26 мм.

Наружный диаметр (D) - 38,66 мм.

Высота (H) - 2 мм.

Размер (Ea) - 28,2

Размер (Eb) - 37,4

Масса - 0,0055 Кг

Грузоподъемность динамическая (C) - 10,4 кН

Грузоподъемность статическая (C0) - 41,2 кН

Частота вращения предельная при жидкой смазке - 9100 об/мин

Количество дорожек качения - 1

Уплотнение - Нет

Цены указаны ознакомительные, для уточнения цены и наличия просим связаться с нами по телефону, или отправить заявку на почту - sales@specprompodshipnik.ru или по тел.: +7(499) 369-70-54

Возврат к списку