Подшипник TP90120 (KOYO)

Подшипники роликовые радиальные сферические
Подшипник TP90120 (KOYO)

Технические характеристики

Обозначение : TP90120

Размеры, мм : 90x120x4

Производитель : KOYO

Диаметр внутренний, мм : 90

Диаметр наружный, мм : 120

Высота, мм : 4

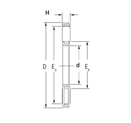
Технические данные из каталога производителя :

Внутренний диаметр (d) - 90 мм.

Наружный диаметр (D) - 120 мм.

Высота (H) - 4 мм.

Размер (Ea) - 115

Размер (Eb) - 95,4

Масса - 0,092 Кг

Грузоподъемность динамическая (C) - 60,9 кН

Грузоподъемность статическая (C0) - 362 кН

Частота вращения предельная при жидкой смазке - 3600 об/мин

Количество дорожек качения - 1

Уплотнение - Нет

Цены указаны ознакомительные, для уточнения цены и наличия просим связаться с нами по телефону, или отправить заявку на почту - sales@specprompodshipnik.ru или по тел.: +7(499) 369-70-54

Возврат к списку