Подшипник TP85110 (KOYO)

Подшипники роликовые радиальные сферические
Подшипник TP85110 (KOYO)

Технические характеристики

Обозначение : TP85110

Размеры, мм : 85x110x4

Производитель : KOYO

Диаметр внутренний, мм : 85

Диаметр наружный, мм : 110

Высота, мм : 4

Технические данные из каталога производителя :

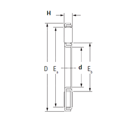
Внутренний диаметр (d) - 85 мм.

Наружный диаметр (D) - 110 мм.

Высота (H) - 4 мм.

Размер (Ea) - 105

Размер (Eb) - 89,4

Масса - 0,07 Кг

Грузоподъемность динамическая (C) - 48,9 кН

Грузоподъемность статическая (C0) - 266 кН

Частота вращения предельная при жидкой смазке - 3800 об/мин

Количество дорожек качения - 1

Уплотнение - Нет

Цены указаны ознакомительные, для уточнения цены и наличия просим связаться с нами по телефону, или отправить заявку на почту - sales@specprompodshipnik.ru или по тел.: +7(499) 369-70-54

Возврат к списку