Подшипник TP75100 (KOYO)

Подшипники роликовые радиальные сферические
Подшипник TP75100 (KOYO)

Технические характеристики

Обозначение : TP75100

Размеры, мм : 75x100x4

Производитель : KOYO

Диаметр внутренний, мм : 75

Диаметр наружный, мм : 100

Высота, мм : 4

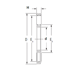
Технические данные из каталога производителя :

Внутренний диаметр (d) - 75 мм.

Наружный диаметр (D) - 100 мм.

Высота (H) - 4 мм.

Размер (Ea) - 95

Размер (Eb) - 79,4

Масса - 0,063 Кг

Грузоподъемность динамическая (C) - 46,7 кН

Грузоподъемность статическая (C0) - 243 кН

Частота вращения предельная при жидкой смазке - 4000 об/мин

Количество дорожек качения - 1

Уплотнение - Нет

Цены указаны ознакомительные, для уточнения цены и наличия просим связаться с нами по телефону, или отправить заявку на почту - sales@specprompodshipnik.ru или по тел.: +7(499) 369-70-54

Возврат к списку