Подшипник TP7095 (KOYO)

Подшипники роликовые радиальные сферические
Подшипник TP7095 (KOYO)

Технические характеристики

Обозначение : TP7095

Размеры, мм : 70x95x4

Производитель : KOYO

Диаметр внутренний, мм : 70

Диаметр наружный, мм : 95

Высота, мм : 4

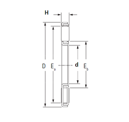
Технические данные из каталога производителя :

Внутренний диаметр (d) - 70 мм.

Наружный диаметр (D) - 95 мм.

Высота (H) - 4 мм.

Размер (Ea) - 74,2

Размер (Eb) - 90,2

Масса - 0,07 Кг

Грузоподъемность динамическая (C) - 52,1 кН

Грузоподъемность статическая (C0) - 275 кН

Частота вращения предельная при жидкой смазке - 4100 об/мин

Количество дорожек качения - 1

Уплотнение - Нет

Цены указаны ознакомительные, для уточнения цены и наличия просим связаться с нами по телефону, или отправить заявку на почту - sales@specprompodshipnik.ru или по тел.: +7(499) 369-70-54

Возврат к списку