Подшипник TP6280A (KOYO)

Подшипники роликовые радиальные сферические
Подшипник TP6280A (KOYO)

Технические характеристики

Обозначение : TP6280A

Размеры, мм : 62x80.25x2

Производитель : KOYO

Диаметр внутренний, мм : 62

Диаметр наружный, мм : 80,25

Высота, мм : 2

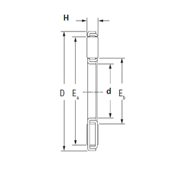
Технические данные из каталога производителя :

Внутренний диаметр (d) - 62 мм.

Наружный диаметр (D) - 80,25 мм.

Высота (H) - 2 мм.

Размер (Ea) - 65,2

Размер (Eb) - 76,8

Масса - 0,02 Кг

Грузоподъемность динамическая (C) - 23,3 кН

Грузоподъемность статическая (C0) - 151 кН

Частота вращения предельная при жидкой смазке - 6300 об/мин

Количество дорожек качения - 1

Уплотнение - Нет

Цены указаны ознакомительные, для уточнения цены и наличия просим связаться с нами по телефону, или отправить заявку на почту - sales@specprompodshipnik.ru или по тел.: +7(499) 369-70-54

Возврат к списку