Подшипник TP4668-2 (KOYO)

Подшипники роликовые радиальные сферические
Подшипник TP4668-2 (KOYO)

Технические характеристики

Обозначение : TP4668-2

Размеры, мм : 46.4x68x3.5

Производитель : KOYO

Диаметр внутренний, мм : 46,4

Диаметр наружный, мм : 68

Высота, мм : 3,5

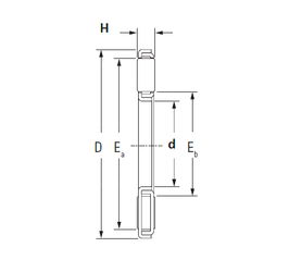
Технические данные из каталога производителя :

Внутренний диаметр (d) - 46,4 мм.

Наружный диаметр (D) - 68 мм.

Высота (H) - 3,5 мм.

Размер (Ea) - 49,4

Размер (Eb) - 65

Масса - 0,035 Кг

Грузоподъемность динамическая (C) - 38,4 кН

Грузоподъемность статическая (C0) - 182 кН

Частота вращения предельная при жидкой смазке - 5200 об/мин

Количество дорожек качения - 1

Уплотнение - Нет

Цены указаны ознакомительные, для уточнения цены и наличия просим связаться с нами по телефону, или отправить заявку на почту - sales@specprompodshipnik.ru или по тел.: +7(499) 369-70-54

Возврат к списку