Подшипник TP4556 (KOYO)

Подшипники роликовые радиальные сферические
Подшипник TP4556 (KOYO)

Технические характеристики

Обозначение : TP4556

Производитель : KOYO

Диаметр наружный, мм : 56

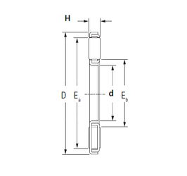
Технические данные из каталога производителя :

Наружный диаметр (D) - 56 мм.

Высота (H) - 2 мм.

Размер (Ea) - 47,5

Размер (Eb) - 53,7

Масса - 0,0084 Кг

Грузоподъемность динамическая (C) - 9 кН

Грузоподъемность статическая (C0) - 39,6 кН

Частота вращения предельная при жидкой смазке - 7600 об/мин

Количество дорожек качения - 1

Уплотнение - Нет

Цены указаны ознакомительные, для уточнения цены и наличия просим связаться с нами по телефону, или отправить заявку на почту - sales@specprompodshipnik.ru или по тел.: +7(499) 369-70-54

Возврат к списку