Подшипник TP4262 (KOYO)

Подшипники роликовые радиальные сферические
Подшипник TP4262 (KOYO)

Технические характеристики

Обозначение : TP4262

Размеры, мм : 42x62x3

Производитель : KOYO

Диаметр внутренний, мм : 42

Диаметр наружный, мм : 62

Высота, мм : 3

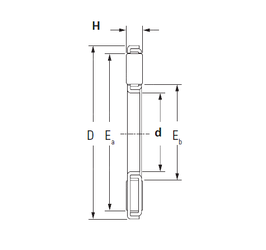
Технические данные из каталога производителя :

Внутренний диаметр (d) - 42 мм.

Наружный диаметр (D) - 62 мм.

Высота (H) - 3 мм.

Размер (Ea) - 47,8

Размер (Eb) - 56,4

Масса - 0,023 Кг

Грузоподъемность динамическая (C) - 17,5 кН

Грузоподъемность статическая (C0) - 71,4 кН

Частота вращения предельная при жидкой смазке - 5900 об/мин

Количество дорожек качения - 1

Уплотнение - Нет

Цены указаны ознакомительные, для уточнения цены и наличия просим связаться с нами по телефону, или отправить заявку на почту - sales@specprompodshipnik.ru или по тел.: +7(499) 369-70-54

Возврат к списку