Подшипник TP4168 (KOYO)

Подшипники роликовые радиальные сферические
Подшипник TP4168 (KOYO)

Технические характеристики

Обозначение : TP4168

Размеры, мм : 41x68x9

Производитель : KOYO

Диаметр внутренний, мм : 41

Диаметр наружный, мм : 68

Высота, мм : 9

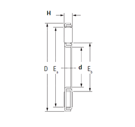
Технические данные из каталога производителя :

Внутренний диаметр (d) - 41 мм.

Наружный диаметр (D) - 68 мм.

Высота (H) - 9 мм.

Размер (Ea) - 45,4

Размер (Eb) - 63,8

Масса - 0,104 Кг

Грузоподъемность динамическая (C) - 75,8 кН

Грузоподъемность статическая (C0) - 222 кН

Частота вращения предельная при жидкой смазке - 3200 об/мин

Количество дорожек качения - 1

Уплотнение - Нет

Цены указаны ознакомительные, для уточнения цены и наличия просим связаться с нами по телефону, или отправить заявку на почту - sales@specprompodshipnik.ru или по тел.: +7(499) 369-70-54

Возврат к списку