Подшипник TP3855A (KOYO)

Подшипники роликовые радиальные сферические
Подшипник TP3855A (KOYO)

Технические характеристики

Обозначение : TP3855A

Размеры, мм : 38.15x55.29x1.984

Производитель : KOYO

Диаметр внутренний, мм : 38,15

Диаметр наружный, мм : 55,29

Высота, мм : 1,984

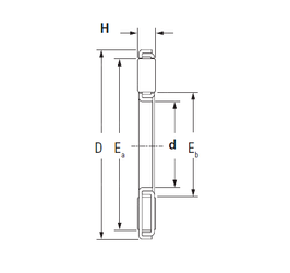
Технические данные из каталога производителя :

Внутренний диаметр (d) - 38,15 мм.

Наружный диаметр (D) - 55,29 мм.

Высота (H) - 1,984 мм.

Размер (Ea) - 40,59

Размер (Eb) - 52,59

Масса - 0,013 Кг

Грузоподъемность динамическая (C) - 19,9 кН

Грузоподъемность статическая (C0) - 108 кН

Частота вращения предельная при жидкой смазке - 7600 об/мин

Количество дорожек качения - 1

Уплотнение - Нет

Цены указаны ознакомительные, для уточнения цены и наличия просим связаться с нами по телефону, или отправить заявку на почту - sales@specprompodshipnik.ru или по тел.: +7(499) 369-70-54

Возврат к списку