Подшипник TP3552B (KOYO)

Подшипники роликовые радиальные сферические
Подшипник TP3552B (KOYO)

Технические характеристики

Обозначение : TP3552B

Размеры, мм : 34.65x52x2

Производитель : KOYO

Диаметр внутренний, мм : 34,65

Диаметр наружный, мм : 52

Высота, мм : 2

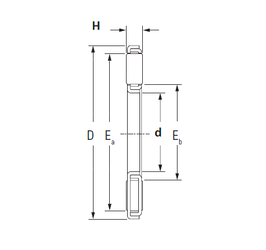
Технические данные из каталога производителя :

Внутренний диаметр (d) - 34,65 мм.

Наружный диаметр (D) - 52 мм.

Высота (H) - 2 мм.

Размер (Ea) - 38,4

Размер (Eb) - 49

Масса - 0,011 Кг

Грузоподъемность динамическая (C) - 17,1 кН

Грузоподъемность статическая (C0) - 86,9 кН

Частота вращения предельная при жидкой смазке - 7800 об/мин

Количество дорожек качения - 1

Уплотнение - Нет

Цены указаны ознакомительные, для уточнения цены и наличия просим связаться с нами по телефону, или отправить заявку на почту - sales@specprompodshipnik.ru или по тел.: +7(499) 369-70-54

Возврат к списку