Подшипник TP3445A (KOYO)

Подшипники роликовые радиальные сферические
Подшипник TP3445A (KOYO)

Технические характеристики

Обозначение : TP3445A

Размеры, мм : 33.5x45x2

Производитель : KOYO

Диаметр внутренний, мм : 33,5

Диаметр наружный, мм : 45

Высота, мм : 2

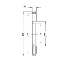
Технические данные из каталога производителя :

Внутренний диаметр (d) - 33,5 мм.

Наружный диаметр (D) - 45 мм.

Высота (H) - 2 мм.

Размер (Ea) - 37

Размер (Eb) - 42,6

Масса - 0,0068 Кг

Грузоподъемность динамическая (C) - 8,5 кН

Грузоподъемность статическая (C0) - 34,3 кН

Частота вращения предельная при жидкой смазке - 8400 об/мин

Количество дорожек качения - 1

Уплотнение - Нет

Цены указаны ознакомительные, для уточнения цены и наличия просим связаться с нами по телефону, или отправить заявку на почту - sales@specprompodshipnik.ru или по тел.: +7(499) 369-70-54

Возврат к списку