Подшипник TP3047-1 (KOYO)

Подшипники роликовые радиальные сферические
Подшипник TP3047-1 (KOYO)

Технические характеристики

Обозначение : TP3047-1

Размеры, мм : 30x47x2

Производитель : KOYO

Диаметр внутренний, мм : 30

Диаметр наружный, мм : 47

Высота, мм : 2

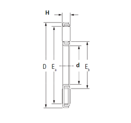
Технические данные из каталога производителя :

Внутренний диаметр (d) - 30 мм.

Наружный диаметр (D) - 47 мм.

Высота (H) - 2 мм.

Размер (Ea) - 34

Размер (Eb) - 44,6

Масса - 0,01 Кг

Грузоподъемность динамическая (C) - 16,2 кН

Грузоподъемность статическая (C0) - 78,6 кН

Частота вращения предельная при жидкой смазке - 8300 об/мин

Количество дорожек качения - 1

Уплотнение - Нет

Цены указаны ознакомительные, для уточнения цены и наличия просим связаться с нами по телефону, или отправить заявку на почту - sales@specprompodshipnik.ru или по тел.: +7(499) 369-70-54

Возврат к списку