Подшипник TP2542 (KOYO)

Подшипники роликовые радиальные сферические
Подшипник TP2542 (KOYO)

Технические характеристики

Обозначение : TP2542

Размеры, мм : 25x42x2

Производитель : KOYO

Диаметр внутренний, мм : 25

Диаметр наружный, мм : 42

Высота, мм : 2

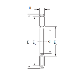
Технические данные из каталога производителя :

Внутренний диаметр (d) - 25 мм.

Наружный диаметр (D) - 42 мм.

Высота (H) - 2 мм.

Размер (Ea) - 28,6

Размер (Eb) - 39,2

Масса - 0,0086 Кг

Грузоподъемность динамическая (C) - 14,8 кН

Грузоподъемность статическая (C0) - 66,2 кН

Частота вращения предельная при жидкой смазке - 8700 об/мин

Количество дорожек качения - 1

Уплотнение - Нет

Цены указаны ознакомительные, для уточнения цены и наличия просим связаться с нами по телефону, или отправить заявку на почту - sales@specprompodshipnik.ru или по тел.: +7(499) 369-70-54

Возврат к списку