Подшипник TP2237-1 (KOYO)

Подшипники роликовые радиальные сферические
Подшипник TP2237-1 (KOYO)

Технические характеристики

Обозначение : TP2237-1

Размеры, мм : 22x37x2

Производитель : KOYO

Диаметр внутренний, мм : 22

Диаметр наружный, мм : 37

Высота, мм : 2

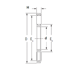
Технические данные из каталога производителя :

Внутренний диаметр (d) - 22 мм.

Наружный диаметр (D) - 37 мм.

Высота (H) - 2 мм.

Размер (Ea) - 34,5

Размер (Eb) - 22,9

Масса - 0,0064 Кг

Грузоподъемность динамическая (C) - 12,6 кН

Грузоподъемность статическая (C0) - 51,7 кН

Частота вращения предельная при жидкой смазке - 9300 об/мин

Количество дорожек качения - 1

Уплотнение - Нет

Цены указаны ознакомительные, для уточнения цены и наличия просим связаться с нами по телефону, или отправить заявку на почту - sales@specprompodshipnik.ru или по тел.: +7(499) 369-70-54

Возврат к списку