Подшипник TP2236A-1 (KOYO)

Подшипники роликовые радиальные сферические
Подшипник TP2236A-1 (KOYO)

Технические характеристики

Обозначение : TP2236A-1

Размеры, мм : 22.2x36.1x1.984

Производитель : KOYO

Диаметр внутренний, мм : 22,2

Диаметр наружный, мм : 36,1

Высота, мм : 1,984

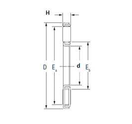
Технические данные из каталога производителя :

Внутренний диаметр (d) - 22,2 мм.

Наружный диаметр (D) - 36,1 мм.

Высота (H) - 1,984 мм.

Размер (Ea) - 25,3

Размер (Eb) - 33,3

Масса - 0,0061 Кг

Грузоподъемность динамическая (C) - 9,95 кН

Грузоподъемность статическая (C0) - 38,2 кН

Частота вращения предельная при жидкой смазке - 9500 об/мин

Количество дорожек качения - 1

Уплотнение - Нет

Цены указаны ознакомительные, для уточнения цены и наличия просим связаться с нами по телефону, или отправить заявку на почту - sales@specprompodshipnik.ru или по тел.: +7(499) 369-70-54

Возврат к списку