Подшипник TP2234 (KOYO)

Подшипники роликовые радиальные сферические
Подшипник TP2234 (KOYO)

Технические характеристики

Обозначение : TP2234

Размеры, мм : 21.9x34x2

Производитель : KOYO

Диаметр внутренний, мм : 21,9

Диаметр наружный, мм : 34

Высота, мм : 2

Технические данные из каталога производителя :

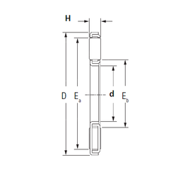
Внутренний диаметр (d) - 21,9 мм.

Наружный диаметр (D) - 34 мм.

Высота (H) - 2 мм.

Размер (Ea) - 25

Размер (Eb) - 31,2

Масса - 0,0051 Кг

Грузоподъемность динамическая (C) - 8,05 кН

Грузоподъемность статическая (C0) - 28,6 кН

Частота вращения предельная при жидкой смазке - 9700 об/мин

Количество дорожек качения - 1

Уплотнение - Нет

Цены указаны ознакомительные, для уточнения цены и наличия просим связаться с нами по телефону, или отправить заявку на почту - sales@specprompodshipnik.ru или по тел.: +7(499) 369-70-54

Возврат к списку