Подшипник TP2132D (KOYO)

Подшипники роликовые радиальные сферические
Подшипник TP2132D (KOYO)

Технические характеристики

Обозначение : TP2132D

Размеры, мм : 20.9x32x2

Производитель : KOYO

Диаметр внутренний, мм : 20,9

Диаметр наружный, мм : 32

Высота, мм : 2

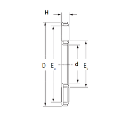
Технические данные из каталога производителя :

Внутренний диаметр (d) - 20,9 мм.

Наружный диаметр (D) - 32 мм.

Высота (H) - 2 мм.

Размер (Ea) - 23,5

Размер (Eb) - 29,7

Масса - 0,0046 Кг

Грузоподъемность динамическая (C) - 8,4 кН

Грузоподъемность статическая (C0) - 29,7 кН

Частота вращения предельная при жидкой смазке - 10000 об/мин

Количество дорожек качения - 1

Уплотнение - Нет

Цены указаны ознакомительные, для уточнения цены и наличия просим связаться с нами по телефону, или отправить заявку на почту - sales@specprompodshipnik.ru или по тел.: +7(499) 369-70-54

Возврат к списку