Подшипник TP1831 (KOYO)

Подшипники роликовые радиальные сферические
Подшипник TP1831 (KOYO)

Технические характеристики

Обозначение : TP1831

Размеры, мм : 18x31x2

Производитель : KOYO

Диаметр внутренний, мм : 18

Диаметр наружный, мм : 31

Высота, мм : 2

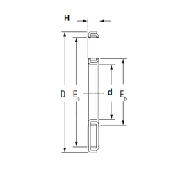
Технические данные из каталога производителя :

Внутренний диаметр (d) - 18 мм.

Наружный диаметр (D) - 31 мм.

Высота (H) - 2 мм.

Размер (Ea) - 20,4

Размер (Eb) - 28,4

Масса - 0,005 Кг

Грузоподъемность динамическая (C) - 9,65 кН

Грузоподъемность статическая (C0) - 34,4 кН

Частота вращения предельная при жидкой смазке - 10200 об/мин

Количество дорожек качения - 1

Уплотнение - Нет

Цены указаны ознакомительные, для уточнения цены и наличия просим связаться с нами по телефону, или отправить заявку на почту - sales@specprompodshipnik.ru или по тел.: +7(499) 369-70-54

Возврат к списку