Подшипник TP1740 (KOYO)

Подшипники роликовые радиальные сферические
Подшипник TP1740 (KOYO)

Технические характеристики

Обозначение : TP1740

Размеры, мм : 17x40x2.5

Производитель : KOYO

Диаметр внутренний, мм : 17

Диаметр наружный, мм : 40

Высота, мм : 2,5

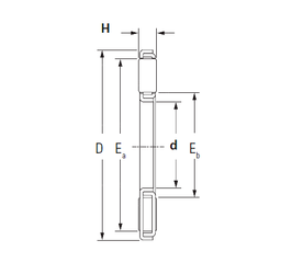
Технические данные из каталога производителя :

Внутренний диаметр (d) - 17 мм.

Наружный диаметр (D) - 40 мм.

Высота (H) - 2,5 мм.

Размер (Ea) - 36,5

Размер (Eb) - 22,7

Масса - 0,011 Кг

Грузоподъемность динамическая (C) - 17,9 кН

Грузоподъемность статическая (C0) - 69,3 кН

Частота вращения предельная при жидкой смазке - 8000 об/мин

Количество дорожек качения - 1

Уплотнение - Нет

Цены указаны ознакомительные, для уточнения цены и наличия просим связаться с нами по телефону, или отправить заявку на почту - sales@specprompodshipnik.ru или по тел.: +7(499) 369-70-54

Возврат к списку