Подшипник TP1730 (KOYO)

Подшипники роликовые радиальные сферические
Подшипник TP1730 (KOYO)

Технические характеристики

Обозначение : TP1730

Размеры, мм : 17x30x2

Производитель : KOYO

Диаметр внутренний, мм : 17

Диаметр наружный, мм : 30

Высота, мм : 2

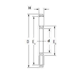
Технические данные из каталога производителя :

Внутренний диаметр (d) - 17 мм.

Наружный диаметр (D) - 30 мм.

Высота (H) - 2 мм.

Размер (Ea) - 27,5

Размер (Eb) - 19,5

Масса - 0,0044 Кг

Грузоподъемность динамическая (C) - 9,4 кН

Грузоподъемность статическая (C0) - 32,9 кН

Частота вращения предельная при жидкой смазке - 10000 об/мин

Количество дорожек качения - 1

Уплотнение - Нет

Цены указаны ознакомительные, для уточнения цены и наличия просим связаться с нами по телефону, или отправить заявку на почту - sales@specprompodshipnik.ru или по тел.: +7(499) 369-70-54

Возврат к списку