Подшипник TP1532-1 (KOYO)

Подшипники роликовые радиальные сферические
Подшипник TP1532-1 (KOYO)

Технические характеристики

Обозначение : TP1532-1

Размеры, мм : 15x32.3x2

Производитель : KOYO

Диаметр внутренний, мм : 15

Диаметр наружный, мм : 32,3

Высота, мм : 2

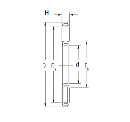
Технические данные из каталога производителя :

Внутренний диаметр (d) - 15 мм.

Наружный диаметр (D) - 32,3 мм.

Высота (H) - 2 мм.

Размер (Ea) - 22,3

Размер (Eb) - 30,3

Масса - 0,0061 Кг

Грузоподъемность динамическая (C) - 11 кН

Грузоподъемность статическая (C0) - 42,1 кН

Частота вращения предельная при жидкой смазке - 10000 об/мин

Количество дорожек качения - 1

Уплотнение - Нет

Цены указаны ознакомительные, для уточнения цены и наличия просим связаться с нами по телефону, или отправить заявку на почту - sales@specprompodshipnik.ru или по тел.: +7(499) 369-70-54

Возврат к списку