Подшипник TP1226B (KOYO)

Подшипники роликовые радиальные сферические
Подшипник TP1226B (KOYO)

Технические характеристики

Обозначение : TP1226B

Размеры, мм : 12x25.8x2

Производитель : KOYO

Диаметр внутренний, мм : 12

Диаметр наружный, мм : 25,8

Высота, мм : 2

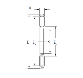
Технические данные из каталога производителя :

Внутренний диаметр (d) - 12 мм.

Наружный диаметр (D) - 25,8 мм.

Высота (H) - 2 мм.

Размер (Ea) - 17,3

Размер (Eb) - 23,5

Масса - 0,0036 Кг

Грузоподъемность динамическая (C) - 6,55 кН

Грузоподъемность статическая (C0) - 19,79 кН

Частота вращения предельная при жидкой смазке - 11000 об/мин

Количество дорожек качения - 1

Уплотнение - Нет

Цены указаны ознакомительные, для уточнения цены и наличия просим связаться с нами по телефону, или отправить заявку на почту - sales@specprompodshipnik.ru или по тел.: +7(499) 369-70-54

Возврат к списку