Подшипник SCH1820 (INA)

Подшипники роликовые радиальные сферические
Подшипник SCH1820 (INA)

Технические характеристики

Обозначение : SCH1820

Размеры, мм : 28.575x38.1x31.75

Производитель : INA

Диаметр внутренний, мм : 28,575

Диаметр наружный, мм : 38,1

Высота, мм : 31,75

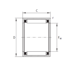
Технические данные из каталога производителя :

Внутренний диаметр (Fw) - 28,575 мм.

Наружный диаметр (D) - 38,1 мм.

Ширина наружной обоймы (C) - 31,75 мм.

Масса - 0,055 Кг

Грузоподъемность динамическая (C) - 40,9 кН

Грузоподъемность статическая (C0) - 64,5 кН

Частота вращения предельная - 9800 об/мин

Количество дорожек качения - 1

Уплотнение - Нет

Цены указаны ознакомительные, для уточнения цены и наличия просим связаться с нами по телефону, или отправить заявку на почту - sales@specprompodshipnik.ru или по тел.: +7(499) 369-70-54

Возврат к списку