Подшипник SCE95 (INA)

Подшипники роликовые радиальные сферические
Подшипник SCE95 (INA)

Технические характеристики

Обозначение : SCE95

Размеры, мм : 14.288x19.05x7.938

Производитель : INA

Диаметр внутренний, мм : 14,288

Диаметр наружный, мм : 19,05

Высота, мм : 7,938

Технические данные из каталога производителя :

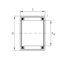
Внутренний диаметр (Fw) - 14,288 мм.

Наружный диаметр (D) - 19,05 мм.

Ширина наружной обоймы (C) - 7,938 мм.

Масса - 0,005 Кг

Грузоподъемность динамическая (C) - 4 кН

Грузоподъемность статическая (C0) - 4,7 кН

Частота вращения предельная - 19600 об/мин

Количество дорожек качения - 1

Уплотнение - Нет

Цены указаны ознакомительные, для уточнения цены и наличия просим связаться с нами по телефону, или отправить заявку на почту - sales@specprompodshipnik.ru или по тел.: +7(499) 369-70-54

Возврат к списку