Подшипник SCE3416 (INA)

Подшипники роликовые радиальные сферические
Подшипник SCE3416 (INA)

Технические характеристики

Обозначение : SCE3416

Размеры, мм : 53.975x63.5x25.4

Производитель : INA

Диаметр внутренний, мм : 53,975

Диаметр наружный, мм : 63,5

Высота, мм : 25,4

Технические данные из каталога производителя :

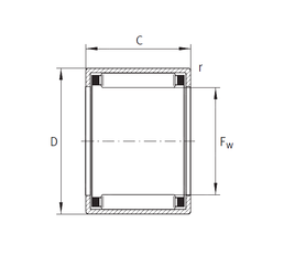
Внутренний диаметр (Fw) - 53,975 мм.

Наружный диаметр (D) - 63,5 мм.

Ширина наружной обоймы (C) - 25,4 мм.

Масса - 0,116 Кг

Грузоподъемность динамическая (C) - 50 кН

Грузоподъемность статическая (C0) - 103 кН

Частота вращения предельная - 5200 об/мин

Количество дорожек качения - 1

Уплотнение - Нет

Цены указаны ознакомительные, для уточнения цены и наличия просим связаться с нами по телефону, или отправить заявку на почту - sales@specprompodshipnik.ru или по тел.: +7(499) 369-70-54

Возврат к списку