Подшипник SCE2820 (INA)

Подшипники роликовые радиальные сферические
Подшипник SCE2820 (INA)

Технические характеристики

Обозначение : SCE2820

Размеры, мм : 44.45x53.975x31.75

Производитель : INA

Диаметр внутренний, мм : 44,45

Диаметр наружный, мм : 53,975

Высота, мм : 31,75

Технические данные из каталога производителя :

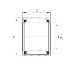
Внутренний диаметр (Fw) - 44,45 мм.

Наружный диаметр (D) - 53,975 мм.

Ширина наружной обоймы (C) - 31,75 мм.

Масса - 0,134 Кг

Грузоподъемность динамическая (C) - 55 кН

Грузоподъемность статическая (C0) - 108 кН

Частота вращения предельная - 6300 об/мин

Количество дорожек качения - 1

Уплотнение - Нет

Цены указаны ознакомительные, для уточнения цены и наличия просим связаться с нами по телефону, или отправить заявку на почту - sales@specprompodshipnik.ru или по тел.: +7(499) 369-70-54

Возврат к списку