Подшипник SCE2610 (INA)

Подшипники роликовые радиальные сферические
Подшипник SCE2610 (INA)

Технические характеристики

Обозначение : SCE2610

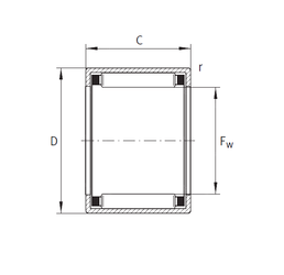
Размеры, мм : 41.275x50.8x15.875

Производитель : INA

Диаметр внутренний, мм : 41,275

Диаметр наружный, мм : 50,8

Высота, мм : 15,875

Технические данные из каталога производителя :

Внутренний диаметр (Fw) - 41,275 мм.

Наружный диаметр (D) - 50,8 мм.

Ширина наружной обоймы (C) - 15,875 мм.

Масса - 0,055 Кг

Грузоподъемность динамическая (C) - 25,5 кН

Грузоподъемность статическая (C0) - 40 кН

Частота вращения предельная - 6800 об/мин

Количество дорожек качения - 1

Уплотнение - Нет

Цены указаны ознакомительные, для уточнения цены и наличия просим связаться с нами по телефону, или отправить заявку на почту - sales@specprompodshipnik.ru или по тел.: +7(499) 369-70-54

Возврат к списку