Подшипник SCE2216 (INA)

Подшипники роликовые радиальные сферические
Подшипник SCE2216 (INA)

Технические характеристики

Обозначение : SCE2216

Размеры, мм : 34.925x41.275x25.4

Производитель : INA

Диаметр внутренний, мм : 34,925

Диаметр наружный, мм : 41,275

Высота, мм : 25,4

Технические данные из каталога производителя :

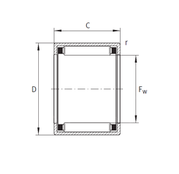
Внутренний диаметр (Fw) - 34,925 мм.

Наружный диаметр (D) - 41,275 мм.

Ширина наружной обоймы (C) - 25,4 мм.

Масса - 0,058 Кг

Грузоподъемность динамическая (C) - 27,5 кН

Грузоподъемность статическая (C0) - 59 кН

Частота вращения предельная - 8000 об/мин

Количество дорожек качения - 1

Уплотнение - Нет

Цены указаны ознакомительные, для уточнения цены и наличия просим связаться с нами по телефону, или отправить заявку на почту - sales@specprompodshipnik.ru или по тел.: +7(499) 369-70-54

Возврат к списку