Подшипник SCE2212 (INA)

Подшипники роликовые радиальные сферические
Подшипник SCE2212 (INA)

Технические характеристики

Обозначение : SCE2212

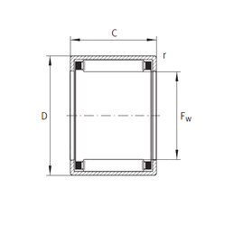
Размеры, мм : 34.925x41.275x19.05

Производитель : INA

Диаметр внутренний, мм : 34,925

Диаметр наружный, мм : 41,275

Высота, мм : 19,05

Технические данные из каталога производителя :

Внутренний диаметр (Fw) - 34,925 мм.

Наружный диаметр (D) - 41,275 мм.

Ширина наружной обоймы (C) - 19,05 мм.

Масса - 0,039 Кг

Грузоподъемность динамическая (C) - 21,5 кН

Грузоподъемность статическая (C0) - 42,5 кН

Частота вращения предельная - 8000 об/мин

Количество дорожек качения - 1

Уплотнение - Нет

Цены указаны ознакомительные, для уточнения цены и наличия просим связаться с нами по телефону, или отправить заявку на почту - sales@specprompodshipnik.ru или по тел.: +7(499) 369-70-54

Возврат к списку