Подшипник SCE2010 (INA)

Подшипники роликовые радиальные сферические
Подшипник SCE2010 (INA)

Технические характеристики

Обозначение : SCE2010

Размеры, мм : 31.75x38.1x15.875

Производитель : INA

Диаметр внутренний, мм : 31,75

Диаметр наружный, мм : 38,1

Высота, мм : 15,875

Технические данные из каталога производителя :

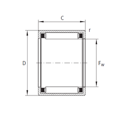
Внутренний диаметр (Fw) - 31,75 мм.

Наружный диаметр (D) - 38,1 мм.

Ширина наружной обоймы (C) - 15,875 мм.

Масса - 0,03 Кг

Грузоподъемность динамическая (C) - 16,5 кН

Грузоподъемность статическая (C0) - 29 кН

Частота вращения предельная - 8800 об/мин

Количество дорожек качения - 1

Уплотнение - Нет

Цены указаны ознакомительные, для уточнения цены и наличия просим связаться с нами по телефону, или отправить заявку на почту - sales@specprompodshipnik.ru или по тел.: +7(499) 369-70-54

Возврат к списку