Подшипник SCE2–1/2–4 (INA)

Подшипники роликовые радиальные сферические
Подшипник SCE2–1/2–4 (INA)

Технические характеристики

Обозначение : SCE2–1/2–4

Размеры, мм : 3.969x7.145x6.35

Производитель : INA

Диаметр внутренний, мм : 3,969

Диаметр наружный, мм : 7,145

Высота, мм : 6,35

Технические данные из каталога производителя :

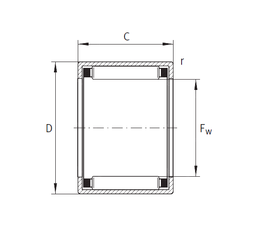
Внутренний диаметр (Fw) - 3,969 мм.

Наружный диаметр (D) - 7,145 мм.

Ширина наружной обоймы (C) - 6,35 мм.

Масса - 0,001 Кг

Грузоподъемность динамическая (C) - 1,26 кН

Грузоподъемность статическая (C0) - 0,940 кН

Частота вращения предельная - 25000 об/мин

Количество дорожек качения - 1

Уплотнение - Нет

Цены указаны ознакомительные, для уточнения цены и наличия просим связаться с нами по телефону, или отправить заявку на почту - sales@specprompodshipnik.ru или по тел.: +7(499) 369-70-54

Возврат к списку