Подшипник SCE1516 (INA)

Подшипники роликовые радиальные сферические
Подшипник SCE1516 (INA)

Технические характеристики

Обозначение : SCE1516

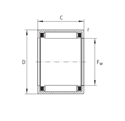
Размеры, мм : 23.812x30.162x25.4

Производитель : INA

Диаметр внутренний, мм : 23,812

Диаметр наружный, мм : 30,162

Высота, мм : 25,4

Технические данные из каталога производителя :

Внутренний диаметр (Fw) - 23,812 мм.

Наружный диаметр (D) - 30,162 мм.

Ширина наружной обоймы (C) - 25,4 мм.

Масса - 0,038 Кг

Грузоподъемность динамическая (C) - 24,1 кН

Грузоподъемность статическая (C0) - 43 кН

Частота вращения предельная - 11800 об/мин

Количество дорожек качения - 1

Уплотнение - Нет

Цены указаны ознакомительные, для уточнения цены и наличия просим связаться с нами по телефону, или отправить заявку на почту - sales@specprompodshipnik.ru или по тел.: +7(499) 369-70-54

Возврат к списку